180 6696 2658
400 1545 304

M-单相节能型变频器
西普第二代单相电机软启动器
第二代单相电机绿色节能交交变频专利技术
物联网智能家居白色家电单相电机控制器
唯一频繁起动不伤害电机软起动技术
独创单相马达智能节电保护功能
产品简介
目前市场上没有单相电源直接驱动单相电机的变频器,都是单相电源通过变相方式驱动三相电机,导致40%功率变相损耗加上PWM变频器的三高;高污染、高损耗、高成本费用缺失较多。
单相电机功率较小加上电网质量不稳定,电气设备没有足够保护及节能措施经常发生高耗电及马达线圈烧毁问题;高能耗及高故障率现象已经不能满足现代化智能家居需要。
西普普司达单相变频器具有软起动、变频调速、智能高效节电(轻载节能)、齐全电机保护、现代化通讯接口满足物联网单相电机控制需求,批量订购可ODM去除冗余功能降低成本最适合白色家电、智能家居、物联网、手工具、装修设备等选用;绿色环保没有电网污染问题,高效节能满足单相电机、空调压缩机节能改造需要。
普司达独有节能控制技术
节能改造降低电费
普司达规格型号:
1.产品代号 普司达单相变频器XPVFD-M

单相变频器 数码管键盘选件
2-3.电流容量与接线

4.结构选型
5.拓扑代号
一体机-3 内置旁路-2 变频器-1
6.定制品ODM-可精简功能
家电产品、物联网、手工具机械等配套合作欢迎批量定制,请与制造厂沟通联系。
非物联网单相电机控制可免出RS-485通讯接口。
7.选型注意事项
欢迎白色家电、智能家居、物联网、单相电机、工具机械、流体机械设备批量
ODM采购。ODM可配合电机接线盒直接安装。普司达有下列功能产品可选:
Ø 变频器
Ø 软起动器
Ø 智能节电控制器
Ø 单相电机保护器
Ø ODM
西安西普电力电子有限公司
陕西省西安市长安区西部大道2号J28号楼 710119
电话:18066962658 / 13228061536(同微信)


单相节能型变频器
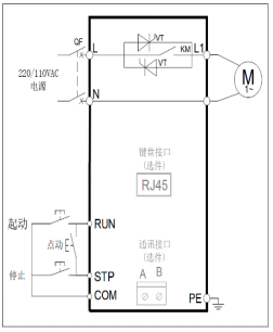
单相节能型变频器电气接线图参考

M-单相节能型变频器电气原理图
