180 6696 2658
400 1545 304
M-单相节能型变频器




西普节能型单相变频器/软起动器/节电器
第二代单相电机交交变频专利技术
唯一单相输入单相输出绿色节能
唯一频繁起动不伤害电机软起动技术
物联网智能家居白色家电单相电机控制
独创单相马达变频节电保护功能
产品简介
目前市场上没有单相电源直接驱动单相电机的变频器,都是单相电源通过变相方式驱动三相电机,导致40%功率损耗加上PWM变频器的三高;高污染、高损耗、高成本费用缺失较多无法满足单相马达现代化驱动控制需要。
单相电机功率较小加上电网质量不稳定,电气设备没有足够保护及节能措施经常发生高耗电及马达线圈烧毁问题(特别是家用空调、冷冻柜、抽油烟机、按摩浴缸);高能耗及高故障率现象已经不能满足现代化智能家居需要。
西普单相变频器/软起动器/智能节电器具有软起动、变频调速、智能高效节电(轻载节能)、动态EOC降补技术、齐全电机保护、现代化通讯接口满足物联网单相电机控制需求,批量订购可ODM去除冗余功能降低成本最适合物联网、机械配套选用;绿色环保没有电网污染问题,高效节能满足单相电机、空调压缩机节能改造需要。
欢迎白色家电、智能家居、物联网、单相电机、工具机械、流体机械设备批量ODM采购。ODM可配合电机接线盒直接安装。
西普单相电机/压缩机示意图
产品种类
西普独有节能控制技术
带有离线式开关单相马达不能变频调速控制,只能使用软起动器控制。
节能改造/技术改造设备举例
规格型号:
可选择变频器(XPVFD-M)、软起动器(XPSTR-M)、节电器(XPVFD-J)
1产品代号 单相交流驱动器-M/节电器-J
单相交流驱动器 数码管键盘选件
标配RS-485通讯接口功能,满足物联网与智能家居需要。
交流驱动器包括软起动器、变频器、节电器均属之。
2. 电流容量与接线

3. 结构选型
结构尺寸请参考简易型结构-E塑壳部分
Kit型为ODM配套产品。
4. 拓扑选型
软起动器拓扑 1 2 - 3
变频器/节电器拓扑 4 5 6 7
拓扑选型
拓扑示意图
软起动器: 一体机-3 内置旁路-2 软起动器-1
连续触发: 一体机-6/7 内置旁路-5 标准型-4
连续触发拓扑包括各种节电器、变频器。
5. 定制品ODM-可精简功能
家电产品、物联网、手工具机械等配套合作欢迎批量定制,请与制造厂沟通联系。
非物联网单相电机控制可免出RS-485通讯接口。
6. 选型注意事项
客户询价提供的基本资料: | ||||||
1 | 系列名称?变频器、软起动器、智能节电器 | |||||
2 | 电机电流:5~100A | |||||
3 | 结构选择:哪一种结构 | |||||
4 | 拓扑种类:1:软起动/变频器,2:内置旁路,3:一体机 | |||||
5 | 数量: | |||||
6 | 负载名称 | |||||
7 | 用户别:直接用户、电气/机械配套、ODM(定制品) | |||||


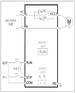
单相节能型变频器
单相节能型变频器电气接线图参考

M-单相节能型变频器电气原理图

产品分类
PRODUCT SHOW